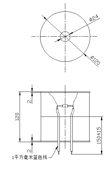
型号:SDL-XQ24120A-06L04
产品使用对象:海洋传感与探测
产品执行功能:磁感应信号发射
广州强力磁感全铜线圈参数
| 电压: | DC6V | 高度: | 电阻: | 寿命: | |||
| 电流: | 1.5A | 通电率: | 100% | 耐温: | 功率: | ||
| 线圈高斯: | 外径: |
广州强力磁感全铜线圈产品详情
广州强力磁感全铜线圈定做
型号:SDL-XQ24120A-06L04
电压:DC6V
电流:1.5A
通电率:100%
单次通电时间:8H/S
产品使用行业:海洋传感与探测
产品执行功能:磁感应信号发射
拓展适用行业:超强信号发射
产品特点:中心位磁感强度高,磁感强度稳定,两端电压6V,能连续运行8小时,线圈中心磁感应强度为15mT。


广州思德隆电子有限公司(//xwklw.com)创立于2005年,是一家专业生产研发电磁铁定制加工,电磁阀定制,电磁线圈,小型电磁铁等各类电磁产品,拥有丰富行业经验的广州电磁铁厂家、广州电磁阀厂家、电磁线圈厂家。品种多样,规格齐全,产品从零部件到成品组装均有自己的加工设备以及产生线,拥有高精密度检测仪器和自主研发的老化设备,已通过(ISO9001认证)专业制造强力磁感全铜线圈,广州全铜线圈定做从产品设计到样品以及量产,均有量化高效的工艺流程及老化实验检测,保证了产品的质量与订单的按时交货。
.jpg)
广州思德隆电磁铁生产厂家的电磁铁所有应用的领域:
1、公共设施电磁铁:自动贩卖机电磁铁、电梯刹车电磁铁、自动售货机电磁铁、读卡器电磁铁、门闸电磁铁、公共场所喷香机电磁阀、盲灯电磁阀、污水处理计量泵电磁铁、电瓶车冲电桩电吸铁、公交车破窗器电磁铁、客车破窗器电磁铁等。
2、通讯\工控\自动化设备电磁铁:海洋传感与探测、手机用电吸铁、漏电保护开关电磁铁、电磁先导阀、矿用电磁先导阀、电液支架电磁阀等。
关键词:强力磁感全铜线圈,广州全铜线圈定做
| 上一篇:直流耐油耐温电磁铁线圈制作 |
| 下一篇:电永磁吸盘电感线圈 |









