型号:SDL-XQ5016B
产品使用对象:科学仪器
产品执行功能:隔空搅拌
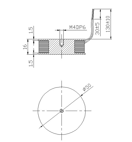
科学仪器磁力搅拌线圈参数
| 电压: | DC12V | 高度: | 16mm | 电阻: | 5.2欧 | 寿命: | |
| 电流: | 2.3A | 通电率: | 28% | 耐温: | 120度 | 功率: | 27.6W |
| 线圈高斯: | 外径: | 50mm |
科学仪器磁力搅拌线圈产品详情
磁力搅拌线圈
型号:SDL-XQ5016B
参数
电压:DC12V
电流:2.3A
功率:27.6W
电阻:5.2欧
通电率:28%
环境温度:120度
产品使用行业:科学仪器
产品执行功能:隔空搅拌
拓展适用行业:实验仪器,搅拌机
产品特点:超薄大力,简单易装配




广州思德隆电子有限公司(//xwklw.com)创立于2005年,是一家专业生产研发电磁铁定制加工,电磁阀定制,电磁线圈,小型电磁铁等各类电磁产品,拥有丰富行业经验的广州电磁铁厂家、广州电磁阀厂家、电磁线圈厂家。品种多样,规格齐全,产品从零部件到成品组装均有自己的加工设备以及产生线,拥有高精密度检测仪器和自主研发的老化设备,已通过(ISO9001认证)专业制造电磁铁线圈/透镜电磁铁从产品设计到样品以及量产,均有量化高效的工艺流程及老化实验检测,保证了产品的质量与订单的按时交货。
关键词:科学仪器,磁力搅拌线圈









