型号:SDL-XQ0843A-24L10
产品使用对象:游戏机
产品执行功能:牵引
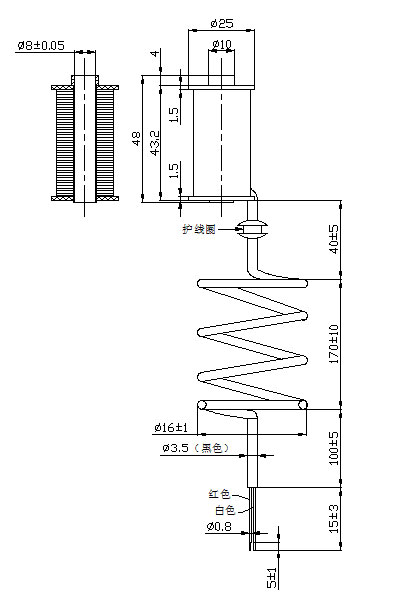
24V游戏机电磁铁线圈参数
| 电压: | DC24V | 高度: | 电阻: | 10欧 | 寿命: | 20万 | |
| 电流: | 2.4A | 通电率: | 5% | 耐温: | 功率: | 57.6W | |
| 线圈高斯: | 外径: |
24V游戏机电磁铁线圈产品详情
24V游戏机电磁铁线圈定制
型号:SDL-XQ0843A-24L10
参数:
行程:15MM
电压:DC24V
电流:2.4A
初始力:150G
通电率:5%
寿命:20万
单次通电时间:3S
电阻:10欧
功率:57.6W
产品使用行业:游戏机
产品执行功能:牵引
拓展适用行业:电磁线圈
产品特点:频率快,寿命长。



广州思德隆电子有限公司(//xwklw.com)创立于2005年,是一家专业生产研发电磁铁定制加工,电磁阀定制,电磁线圈,小型电磁铁等各类电磁产品,拥有丰富行业经验的广州电磁铁厂家、广州电磁阀厂家、电磁线圈厂家。品种多样,规格齐全,产品从零部件到成品组装均有自己的加工设备以及产生线,拥有高精密度检测仪器和自主研发的老化设备,已通过(ISO9001认证)专业制造24V游戏机电磁铁线圈定制从产品设计到样品以及量产,均有量化高效的工艺流程及老化实验检测,保证了产品的质量与订单的按时交货。
//xwklw.com/elinfo-164.html
//xwklw.com/elinfo-165.html
//xwklw.com/elinfo-166.html
//xwklw.com/elinfo-167.html
关键词:24V游戏机电磁铁线圈
| 上一篇:娃娃机抓烟机配件用电磁线圈 |
| 下一篇:48V娃娃机通电抓东西电磁线圈 |









