| 电压: | DC12V | 行程: | 5mm | 电阻: | 功率: | ||
| 耐温: | 寿命: | 耐电压: | 初始力: | 100G | |||
| 电流: | 通电率: | 弹簧回力: | 吸力: |
名称:真币投币器电磁铁
型号:SDL-U0614A-12L
本品适用多款投币器。传统币、电子币。
弹簧、功率经过加大处理,没有卡币现象,声音清脆。
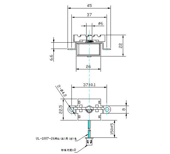
此电磁铁以导磁体作框架,畅开式线圈的优点,同时独具行程长,力量大的特点。 外形小巧,结构简洁,安装连接容易,维护方便的直线运动的电磁铁,本类别的螺线管通过拉入(拉近)滑杆,或推出顶杆对外工作。 铁心直径范围在2mm-20mm。

.jpg)
投币器电磁铁的重点在于线圈的质量,线圈质量恒定,就意味着投币器分辨真假币的恒定性。
因此,我司在做投币器线圈的时候,从线圈的铜线用材,到参数设定进行了严格的控制,确保了电磁铁的品质恒定。
外壳可根据客户的要求进行定位孔及形状的设计。
广州思德隆电子有限公司(//xwklw.com)创立于2005年,是一家专业生产研发电磁铁厂家,电磁阀,电磁线圈,小型电磁铁等各类电磁产品,拥有丰富行业经验的广州牵引式电磁铁厂家、电磁阀、电磁线圈厂家。品种多样,规格齐全,产品从零部件到成品组装均有自己的加工设备以及流水线,拥有高精密度检测仪器和自主研发的老化设备,真币投币器电磁铁从产品设计到样品以及量产,均有量化高效的工艺流程及老化实验检测,保证了产品的质量与订单的按时交货。
广州思德隆电磁铁应用的领域:
1、家用电器用电磁铁:多仕炉用电磁铁、面包机用电磁铁、咖啡机用电磁铁、压力电饭包用电磁铁、洗衣机用电磁铁、空调用电磁铁、洗碗机用电磁铁、消毒碗柜用电磁铁、饮水机电磁铁、微波炉用电磁铁、电唱机电磁铁、DVD光驱CDROM电磁铁、家用喷香机电磁阀等。
2、金融设备电磁铁:(取款机电磁铁、ATM机电磁铁、点钞机电磁铁、验钞机电磁铁,换钞机电磁铁、贩卖机投币器电磁铁、收银机电磁铁、钱箱电磁铁、等);
3、游戏机\玩具电磁铁:身感游戏枪电磁铁/弹子机电磁铁、游戏机电磁铁、存钱盒电磁铁、挖糖机电磁铁、玩具钢琴电磁铁、弹珠台电磁铁娃娃游戏机电磁铁、等。
| 上一篇:没有信息了 |
| 下一篇:汽摩大灯透镜电磁铁 |






