按应用分类
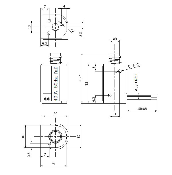
型号:SDL-C0832A-400L10000
产品使用对象:打磨机
产品执行功能:开关电源作用
小型交流C型电磁铁定制参数
| 电压: | AC400V | 行程: | 2MM | 电阻: | 10000欧 | 功率: | 16W |
| 耐温: | 寿命: | 50万次 | 耐电压: | 初始力: | 200G | ||
| 电流: | 0.04A | 通电率: | 25% | 弹簧回力: | 吸力: |
小型交流C型电磁铁定制产品详情
小型交流C型电磁铁定制
型号:SDL-C0832A-400L10000
参数
行程:2MM
电压:AC400V
电流:0.04A
初始力:200G
电阻:10000欧
功率:16W
通电率:25%
寿命:50万次
产品使用行业:打磨机
产品执行功能:开关电源作用
拓展适用行业:开关电磁铁
产品特点:体积小,频率高。




广州思德隆电子有限公司(//xwklw.com)创立于2005年,是一家专业生产研发电磁铁定制加工,电磁阀定制,电磁线圈,小型电磁铁等各类电磁产品,拥有丰富行业经验的广州电磁铁厂家、广州电磁阀厂家、电磁线圈厂家。品种多样,规格齐全,产品从零部件到成品组装均有自己的加工设备以及产生线,拥有高精密度检测仪器和自主研发的老化设备,已通过(ISO9001认证)专业制造小型交流C型电磁铁从产品设计到样品以及量产,均有量化高效的工艺流程及老化实验检测,保证了产品的质量与订单的按时交货。
//xwklw.com/elinfo-181.html
//xwklw.com/newsinfo-112.html
//xwklw.com/newsinfo-113.html
//xwklw.com/newsinfo-111.html
//xwklw.com/elinfo-180.html
关键词:小型交流C型电磁铁定制,交流电磁铁定制
| 上一篇:共享充电宝开关电磁柜锁电磁铁定制 |
| 下一篇:直流圆管拉动式电磁铁定制 |






