按应用分类
型号:SDL-U1040J
产品使用对象:游戏机用电磁铁,其它流道分拣,选别用电磁铁
产品执行功能:推拉式
推拉式1040框架电磁铁参数
| 电压: | 12 VDC | 行程: | 8mm | 电阻: | 69Ω | 功率: | 2W |
| 耐温: | 寿命: | 耐电压: | 初始力: | 70g克服弹簧 | |||
| 电流: | 0.17A | 通电率: | 10% | 弹簧回力: | 吸力: |
推拉式1040框架电磁铁产品详情
推拉式1040框架电磁铁
关于本产品的一些说明:
1、本产品经过市场检验 性能稳定
2、订单式生产 只有少量库存
3、可以可根据您的要求定做
SDL-U1040J电磁铁的应用:
1、游戏机用电磁铁
2、比较式电磁铁
3、其它流道分拣、选别用电磁铁
运动作用方式:推拉式
电压变化适应范围:6V~14.4V(低值为启动电压)
初始力:70g克服弹簧
设计行程:8mm
单次最长通电时间:1S
产品特点:
1、线圈加大,电压不稳也可正常工作;
2、弹簧、功率经过加大处理,没有卡币现象,声音清脆;
3、从线圈的铜线用材,到参数设定进行了严格的控制,确保了电磁铁的品质恒定。
4、外形小巧,结构简洁,安装连接容易,维护方便的直线运动的电磁铁;
5、能克服游戏场地电压不稳造成的投币困扰问题。



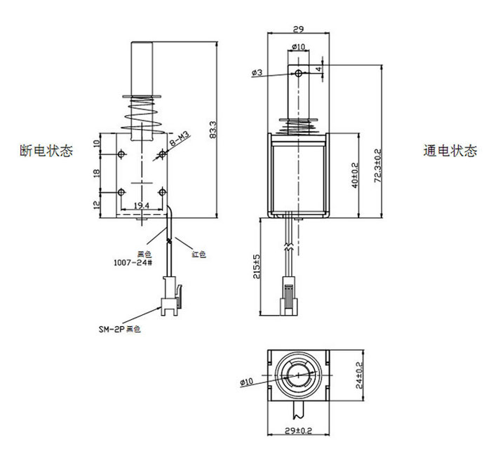
外观尺寸图:




使用方法及说明:
通电率对电磁铁产品非常关键,请做了解

广州思德隆(//xwklw.com/)电磁铁线圈品种多样,规格齐全,产品从零部件到成品组装均有自己的加工设备以及生产线,拥有高精密度检测仪器和自主研发的老化设备,(游戏机电磁铁/推拉电磁铁)从产品设计到样品以及量产,均有量化高效的工艺流程及老化实验检测,保证了产品的质量与订单的按时交货。-------本信息由业务部推广员发布
关键词:推拉式1040框架电磁铁,游戏机用电磁铁






