按应用分类
型号:SDL-O2568A-24S16
产品使用对象:公交车投钱箱
产品执行功能:牵引
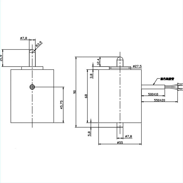
公交车投钱箱电磁铁参数
| 电压: | DC24V | 行程: | 9.5mm | 电阻: | 16欧 | 功率: | |
| 耐温: | 寿命: | 100万次 | 耐电压: | 2000V | 初始力: | ||
| 电流: | 1.5A | 通电率: | 弹簧回力: | 吸力: |
公交车投钱箱电磁铁产品详情
名称:公交车投钱箱电磁铁
型号:SDL-O2568A-24S16
电压:DC24V
电流:1.5A
功率:36W
寿命:100万次
行程:9.5mm
耐压:2000V
绝缘等级:F级
此电磁铁采用纯铁DT4C,铁1215,铜线耐温155度。琴钢丝弹簧,等优质材料制作,性能稳定,内部装配无给油轴承,滑竿动作顺畅,无卡死现象。
.jpg)

广州思德隆电子有限公司(//xwklw.com)创立于2005年,是一家专业生产研发电磁铁,电磁阀,电磁线圈,小型电磁铁等各类电磁产品,拥有丰富行业经验的推拉式电磁铁定制、电磁阀、电磁线圈厂家。品种多样,规格齐全,产品从零部件到成品组装均有自己的加工设备以及流水线,拥有高精密度检测仪器和自主研发的老化设备,公交车投钱箱电磁铁从产品设计到样品以及量产,均有量化高效的工艺流程及老化实验检测,保证了产品的质量与订单的按时交货。
广州思德隆电磁铁应用的领域:
1、公共设施电磁铁:自动贩卖机电磁铁、电梯刹车电磁铁、自动售货机电磁铁、读卡器电磁铁、门闸电磁铁、公共场所喷香机电磁阀、盲灯电磁阀、污水处理计量泵电磁铁、电瓶车冲电桩电吸铁、公交车破窗器电磁铁、客车破窗器电磁铁、公交车投钱箱电磁铁等。
2、通讯\工控\自动化设备电磁铁:海洋传感与探测、手机用电吸铁、漏电保护开关电磁铁、电磁先导阀、矿用电磁先导阀、电液支架电磁阀等。
关键词:公交车投钱箱电磁铁,投钱箱电磁铁定做
| 上一篇:公交车/客车破窗器电磁铁 |
| 下一篇:垂钩式防坠器FQB3-50 |






