按应用分类
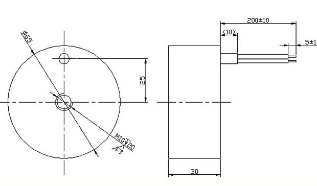
型号:SDL-XP6530A-24L45
产品使用对象:自动控制设备
产品执行功能:起重
防水耐油强力电吸盘 直流圆形电磁铁吸盘参数
| 电压: | DC24V | 行程: | 电阻: | 45欧 | 功率: | 13W | |
| 耐温: | 寿命: | 50万次 | 耐电压: | 初始力: | 130KG | ||
| 电流: | 0.53A | 通电率: | 100% | 弹簧回力: | 吸力: | 130KG |
防水耐油强力电吸盘 直流圆形电磁铁吸盘产品详情
防水耐油强力 直流圆形电磁铁吸盘
型号:SDL-XP6530A-24L45
参数
电压:DC24V
电流:0.53A
功率:13W
电阻:45欧
初始力:130KG
通电率:100%
寿命:50万次
是否防水:是
是否耐油:是
广州思德隆电子有限公司(//xwklw.com)创立于2005年,是一家专业生产研发电磁铁定制加工,电磁阀定制,电磁线圈,小型电磁铁等各类电磁产品,拥有丰富行业经验的广州电磁铁厂家、广州电磁阀厂家、电磁线圈厂家。品种多样,规格齐全,产品从零部件到成品组装均有自己的加工设备以及产生线,拥有高精密度检测仪器和自主研发的老化设备,已通过(ISO9001认证)专业制造车灯电磁铁/透镜电磁铁从产品设计到样品以及量产,均有量化高效的工艺流程及老化实验检测,保证了产品的质量与订单的按时交货。
//xwklw.com/elinfo-167.html
//xwklw.com/coinfo-34.html
//xwklw.com/coinfo-35.html
//xwklw.com/coinfo-36.html
//xwklw.com/vainfo-19.html
关键词:防水耐油电吸盘,强力电吸盘,直流电磁铁吸盘,圆形电磁铁吸盘

.jpg)
.jpg)

.jpg)





